12.Main Memory
The Main Memory System

- Main memory is a critical component of all computing systems: server, mobile, embedded, desktop, sensor 
- Main memory system must scale (in size, technology, efficiency, cost, and management algorithms) to match the growing demands of bandwidths 
Memory System: A Shared Resource View

State of the Main Memory System
- Recent technology, architecture, and application trends - lead to new requirements 
- exacerbate old requirements 
 
- DRAM and memory controllers, as we know them today, are (will be)- unlikely to satisfy all requirements
- Some - emerging non-volatile memory technologies(e.g., PCM)- enable new opportunities: memory + storage merging
- We need to rethink/reinvent the main memory system - to fix DRAM issues and enable emerging technologies 
- to satisfy all requirements 
 
Major Trends Affecting Main Memory
- Need for main memory capacity, bandwidth, QoS increasing - Multi-core: increasing number of cores
- Data-intensive applications: increasing demand for data
- Consolidation: Cloud computing, GPUs, mobile, heterogeneity
 
- Main memory energy/power is a key system design concern - IBM servers: ~50% energy spent in off-chip memory hierarchy[Lefurgy, IEEE Computer 2003]
- DRAM consumes power when idle and needs periodic refresh
 
- DRAM technology scaling is ending 
Demand for Memory Capacity
- More cores -> More concurrency -> Larger working set 

- Modern applications are (increasingly) data-intensive 
- Many applications/virtual machines (will) share main memory - Cloud computing/servers: Consolidation to improve efficiency
- GP-GPUs: Many threads from multiple parallel applications
- Mobile: Interactive + non-interactive consolidation
 
Example: The Memory Capacity Gap
Core count doubling ~ every 2 years
DRAM DIMM capacity doubling ~ every 3 years

- Memory capacity per core expected to drop by 30% every two years 
- Trends worse for memory bandwidth per core! 
The DRAM Scaling Problem
- DRAM stores charge in a capacitor (charge-based memory) - Capacitor must be large enough for reliable sensing 
- Access transistor should be large enough for low leakage and high - retention time 
- Scaling beyond 40-35nm (2013) is challenging [ITRS, 2009] 
  
- DRAM capacity, cost, and energy/power hard to scale 
Evidence of the DRAM Scaling Problem

Repeatedly opening and closing a row enough times within a refresh interval induces disturbance errors in adjacent rows in most real DRAM chips you can buy today
Kim+, “Flipping Bits in Memory Without Accessing Them: An Experimental Study of DRAM Disturbance Errors,” ISCA 2014.

Observed Errors in Real Systems
CPU Architecture
Errors
Access-Rate
Intel Haswell (2013)
22.9K
12.3M/sec
Intel Ivy Bridge (2012)
20.7K
11.7M/sec
Intel Sandy Bridge (2011)
16.1K
11.6M/sec
AMD Piledriver (2012)
59
6.1M/sec
- A real reliability & security issue
- In a more controlled environment, we can induce as many as - ten milliondisturbance errors
DRAM Subsystem Organization

Page Mode DRAM
- A DRAM bank is a 2D array of cells: rows x columns 
- A “DRAM row” is also called a “DRAM page” 
- “Sense amplifiers” also called “row buffer” 
- Each address is a {row,column} pair 
- Access to a “closed row” - Activatecommand opens row (placed into row buffer)
- Read/writecommand reads/writes column in the row buffer
- Prechargecommand closes the row and prepares the bank for next access
 
- Access to an “open row” - No need for an activate command 
 
DRAM Bank Operation

注: 一个 bank 就是一个二维阵列. 如果数据不在 buffer 内, 需要通过 Row decoder 选择行, 破坏性读(DRAM)到 Row Buffer 中. 通过列译码得到需要的 Data 把数据传出.
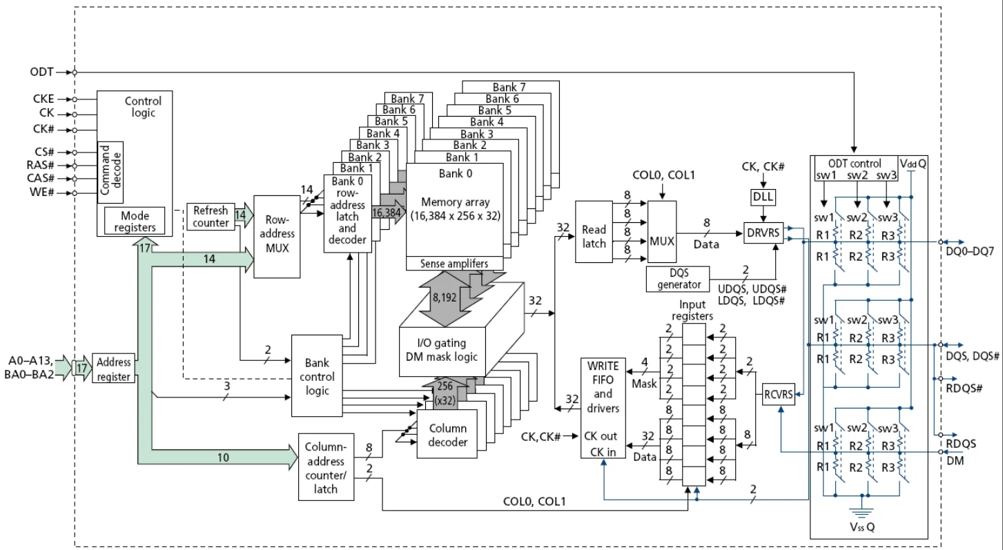
The DRAM Chip
- Consists of multiple banks (8 is a common number today) 
- Banks share command/address/data buses
- The chip itself has a narrow interface (4-16 bits per read) 
- Changing the number of banks, size of the interface (pins), whether or not command/address/data buses are shared has significant impact on DRAM system cost 
128M x 8-bit DRAM Chip

DRAM Rank and Module
- Rank: Multiple chips operated together to form a wide interface 
- All chips comprising a rank are controlled at the same time - Respond to a single command 
- Share address and command buses, but provide different data
 
- A DRAM module consists of one or more ranks - E.g., DIMM (dual inline memory module) 
- This is what you plug into your motherboard 
 
A 64-bit Wide DIMM (One Rank)


- Advantages: - Acts like a - high-capacity DRAM chipwith a- wide interface
- Flexibility: memory controller does not need to deal with individual chips
 
- Disadvantages: - Granularity: Accesses cannot be smaller than the interface width
 
Generalized Memory Structure


The DRAM subsystem

Breaking down a DIMM

Rank

Breaking down a Rank

Example: Transferring a cache block



Last updated
