07.Dependence Handling
Data Dependence Types

注: 真相关.
记住如何处理数据相关
Anti and output dependencies are easier to handle
write to the destination in one stage and in program order
Flow dependencies are more interesting
Four typical ways of handling flow dependencies
Detect and waituntil value is available in register fileDetect and forward/bypassdata to dependent instructionDetect and eliminatethe dependence at the software levelNo need for the hardware to detect dependence
Predictthe needed value(s), execute “speculatively ” ,and verify
RAW相关处理
Which one of the following flow dependencies lead to conflicts in the 5-stage pipeline?

寄存器数据相关分析
-
R/I-Type
LW
SW
Br
J
Jr
IF
-
-
-
-
-
-
ID
read RF
read RF
read RF
read RF
read RF
EX
-
-
-
-
-
-
MEM
-
-
-
-
-
-
WB
write RF
write RF
-
-
-
-
For a given pipeline, when is there a potential conflict between two data dependent instructions?
dependence type: RAW, WAR, WAW?
instruction types involved?
distance between the two instructions?
Safe and Unsafe Movement of Pipeline

dist(i,j) <= dist(X,Y) =>
Unsafe to keep j movingdist(i,j) > dist(X,Y) =>
Safe
注: 读写距离为3(见表 * 寄存器数据相关分析), 故小于3不安全.
上接表 * 寄存器数据相关分析.
Instructions IA and IB(where IA comes before IB) have RAW dependence
iffIB
(R/I, LW, SW, Br or JR)reads a register written by IA(R/I or LW)dist(IA, IB) <= dist(ID, WB) = 3
What about WAW and WAR dependence?
Pipeline Stall: 解决数据相关

注: bubble相当于空指令, 加入 bubble 是为了使 dist>3.
如何实现Pipeline Stall

Stalldisable
PCandIRlatching; ensure stalled instruction stays in its stageInsert “invalid”
instructions/nopsinto the stage following the stalled one (called “bubbles”)
Stall Conditions
Instructions IA and IB(where IA comes before IB) have RAW dependence
iffIB
(R/I, LW, SW, Br or JR)reads a register written by IA(R/I or LW)dist(IA, IB) <= dist(ID, WB) = 3
Must stall the ID stage when IB in ID stage wants to read a register to be written by IA in EX, MEM or WB stage
暂停条件检测逻辑

注: 六个条件满足任意都会冲突.
It is crucial that the EX, MEM and WB stages continue to advance normally during stall cycles
Pipeline Stall对性能的影响
Each stall cycle corresponds to
one lost cyclein which no instruction can be completedFor a program with N instructions and S stall cycles,
Average CPI=(N+S)/NS depends on
frequency of RAW dependences
exact distance between the dependent instructions
distance between dependences
suppose i1,i2 and i3 all depend on i0, once i1’s dependence is resolved, i2 and i3 must be okay too
Sample Assembly (P&H)
for (j=i-1; j>=0 && v[j] > v[j+1]; j-=1) { ...... }

注: 判断真相关来确定 stalls 数量. e.g. slti 用到 addi 的 $s1, 是真相关, stalls += 3.(此例子中的所有真相关距离均为1, 方便计算).
通过Data Forwarding减少Stall
Also called Data Bypassing
Forward the value to the dependent instruction as soon as
it is availableDataflow model
Data value supplied to dependent instruction as soon as it is available
Instruction executes when all its operands are available
Data forwarding brings a pipeline closer to data flow execution principles
Data Forwarding (Bypassing)
将RF看做状态
(state)更加直观“add rx ry rz” literally means get values from RF[ry] and RF[rz] respectively and put result in RF[rx]
但是,RF仅仅是通信抽象的一部分 (协助通信)。
“add rx ry rz” actually means:
get the results of the last instructions to define the values of RF[ry] and RF[rz], respectively,
until another instruction redefines RF[rx], younger instructions that refer to RF[rx] should use this instruction’s result
What matters is to maintain the correct “data flow” between operations, thus

利用Forwarding解决RAW相关
Instructions IA and IB(where IA comes before IB) have RAW dependence iff
IB
(R/I, LW, SW, Br or JR)reads a egister written by IA(R/I or LW)dist(IA, IB) <= dist(ID, WB) = 3
In other words, if IB in ID stage reads a register written by IA in EX, MEM or WB stage, then the operand required by IB is not yet in RF
How forwarding works?
=> retrieve operand from
datapathinstead of the RF=> retrieve operand from the
youngest definitionif multiple definitions are outstanding
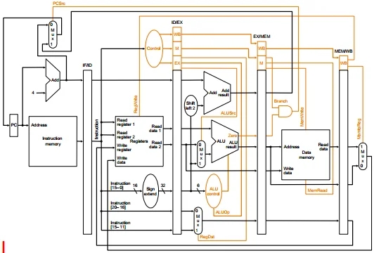
Data Forwarding Paths (v1)

Data Forwarding Paths (v2)

Data Forwarding Logic (for v2)

Ordering matters!! Must check youngest match first
Why doesn’t use_rs( ) appear in the forwarding logic?
Data Forwarding (相关分析)
-
R/I-Type
LW
SW
Br
J
Jr
IF
-
-
-
-
-
-
ID
-
-
-
-
-
use
EX
use/produce
use
use
use
-
-
MEM
-
produce (use)
-
-
-
-
WB
-
-
-
-
-
-
Even with data-forwarding, RAW dependence on an immediately preceding LW instruction requires a stall
回顾: Control Dependence
Question: What should the fetch PC be in the next cycle?
Answer: The address of the next instruction
All instructions are control dependent on previous ones. Why?
If the fetched instruction is a non-control-flow instruction:
Next Fetch PC is the address of the next-sequential instruction
Easy to determine if we know the size of the fetched instruction
If the instruction that is fetched is a control-flow instruction:
How do we determine the next Fetch PC?
In fact, how do we even know whether or not the fetched instruction is a control-flow instruction?
分支类型
Type
Direction at fetch time
Number of possible next fetch addresses?
When is next fetch address resolved?
Conditional
Unknown
2
Execution (register dependent)
Unconditional
Always taken
1
Decode (PC + offset)
Call
Always taken
1
Decode (PC + offset)
Return
Always taken
Many
Execution (register dependent)
Indirect
Always taken
Many
Execution (register dependent)
Different branch types can be handled differently
如何处理控制相关
Critical to keep the pipeline full with correct sequence of dynamic instructions.
Potential solutions if the instruction is a control-flow instruction:
Stall the pipeline until we know the next fetch address
Guess the next fetch address (branch prediction)
Employ delayed branching (branch delay slot)
……
Stall Fetch Until Next PC is Available: Good Idea or not

This is the case with non-control-flow and unconditional br instructions!
Doing Better than Stalling Fetch …
Rather than waiting for true-dependence on PC to resolve, just guess nextPC = PC+4 to keep fetching every cycle
Is this a good guess?What do you lose if you guessed incorrectly?
~20% of the instruction mix is control flow
~50 % of “forward” control flow
(i.e., if-then-else)is taken~90% of “backward” control flow
(i.e., loop back)is takenOverall, typically ~70% taken and ~30% not taken [Lee and Smith, 1984]
Expect “nextPC = PC+4” ~86% of the time, but what about the remaining 14%?
Guessing NextPC = PC + 4
Always predict the next sequential instruction is the next instruction to be executed
This is a form of next fetch address prediction (and branch prediction)
How can you make this more effective?
Idea: Maximize the chances that the next sequential instruction is the next instruction to be executed
Software: Lay out the control flow graph such that the “likely next instruction” is on the not-taken path of a branch
Profile guided code positioning -> Pettis & Hansen, PLDI 1990.
Hardware: ??? (how can you do this in hardware…)
Cache traces of executed instructions -> Trace cache
Last updated